Des mesures en toute sécurité
Cet article est consacré à la sécurité des circuits électroniques. Pour ce qui est de la sécurité de l’humain, elle passe avant tout par une isolation correcte de l’appareil de mesure afin d’éliminer tout risque d’accès à des « pièces nues sous tension ».
La mesure
Dans le cas de la mesure de signaux analogiques, le signal est appliqué à l’entrée d’un circuit intégré ADC (Analog to Digital Converter = convertisseur analogique-numérique). On peut relier directement le signal au convertisseur, c’est possible, mais particulièrement risqué : en cas de surtension, le circuit d’acquisition serait détruit. Il est donc préférable d’insérer quelques composants destinés à le protéger.
Les décharges électrostatiques (ESD)
Il s'agit du premier risque à prendre en compte. Les ESD (Electro-Static Discharge = décharge électrostatique) sont des petits pics de haute tension extrêmement brefs que l’on ressent parfois en touchant un objet relié à la masse ou une autre personne. Pour un humain, c’est désagréable ; pour un circuit intégré, c’est souvent fatal.
De nombreux circuits d’acquisition disposent déjà de dispositifs de protection ESD intégrés, mais un dispositif externe reste recommandé : plus robuste, moins coûteux à remplacer en cas de panne, et plus efficace face aux décharges directes sur les connecteurs. Qu’il soit intégré ou externe, le principe repose toujours sur des diodes Schottky (du nom du physicien allemand Walter Schottky). Celles qui sont conçues pour la protection ESD réagissent extrêmement vite et supportent des impulsions de forte tension sur de très courtes durées.
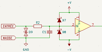
Pour une protection complète, on utilise deux diodes Schottky :
- l’une reliée à la tension d’alimentation négative (ou à la masse),
- l’autre reliée à la tension d’alimentation positive.
Montées en inverse, elles écrêtent tout signal dépassant la plage autorisée : le surplus de tension est dérivé vers les rails d’alimentation, protégeant ainsi l’entrée. Les fabricants proposent souvent ces deux diodes dans un même boîtier CMS à trois pattes (SOT23-3) : signal, plus et moins. Comme la BAT54, présentée ci-dessous.
Les surtensions transitoires
En cas de surtension, les diodes Shottky atteignent rapidement leurs limites, elles ne sont adaptées qu'aux surtensions très brèves. Pour garantir une protection contre toutes les surtension, des diodes de clamp TVS (Transient Voltage Suppressors = suppresseur de transitoires de tension) sont nécessaures. Elles sont aussi connues sous le nom de diodes Transil (marque déposée). Elles réagissent un peu plus lentement que les Schottky, mais peuvent dissiper davantage d’énergie. Il existe des versions bidirectionneles, qui protègent des surtensions aussi bien positives que négatives, et des unidirectionnelles, qui ne protègent qu'une seule polarité.
On les place en parallèle sur l'entrée, afin d’écrêter les surtensions transitoires liées à des erreurs de branchement ou à des variations de potentiel de masse. Elles ont la particularité de se mettre en court-circuit en cas de dépassement, et revenir à leur état d'origine ensuite. La diode ne risque donc pas d'être détériorée, mais les circuits branchés sur l'entrée peuvent l'être. Il faut noter que une diode TVS ajoute une capacité parasite qui peut poser problème en cas de mesure HF.
Les surtensions continues
Les diodes protègent des pics brefs, mais pas des surtensions permanentes, qui peuvent, selon le cas, détruire la diode, l'alimentation, ou carrément les autres circuits. Si une tension excessive est appliquée durablement, il est probable que l’une des diodes conduise en continu et finisse par griller par échauffement. Pour éviter cela, on place une résistance série à l’entrée.
Cette résistance limite le courant que les diodes devront absorber en cas de dépassement de tension. Sa valeur doit être choisie suivant un compromis :
- Trop élevée, elle va altérer la précision de la mesure (elle doit rester très inférieure à l’impédance d’entrée du circuit d'acquisition) ;
- Trop faible, le courant maximal risque d'être plus élevé que ce que les diodes peuvent supporter.
Dans les appareils de mesure, cette tension d’entrée peut aller de quelques dizaines à plus d’un millier de volts selon les gammes de mesure. La résistance doit donc être dimensionnée en conséquence : valeur et puissance.
Les interférences HF
Au-delà de la protection contre les surtensions, il est souvent utile d’ajouter un filtre RC à l’entrée. Ce filtre protège le convertisseur contre les interférences hautes fréquence et les oscillations parasites. Une simple résistance série (quelques kΩ) et un condensateur (quelques dizaines de nF) suffisent souvent à stabiliser le signal tout en limitant les pics de tension résiduels.
La résistance étant déjà calculée pour assurer la protection contre les surtensions continues, c'est la valeur du condensateur qui doit être déterminée, et c'est à nouveau un compromis : Le choix des valeurs dépend du compromis entre bande passante utile et vitesse d’échantillonnage.
- Une capacité faible ne filtrera pas toutes les interférences ;
- Une capacité élevée réduira la bande passante en entrée.
Une self série (quelques µH à quelques dizaines de µH) peut compléter la protection dans les environnements très bruyants électromagnétiquement (compatibilité CEM). Elle bloque les parasites HF et forme avec le condensateur un filtre RLC très efficace. Attention toutefois aux résonances et à la saturation : ce montage est plutôt réservé aux mesures lentes ou industrielles.
L’isolation galvanique
Enfin, pour les mesures effectuées sur des potentiels différents (par exemple sur le secteur ou un châssis flottant), la séparation galvanique devient indispensable. Elle empêche tout transfert direct de courant entre la partie mesurée et le système d’acquisition. Elle peut être réalisée de différentes façons, mais il y a toujours des contraintes :
- Amplificateur isolé (plus complexe),
- Convertisseur optique (problèmes de linéarité),
- Convertisseur magnétique (ne fonctionne pas sur du courant continu),
- Transformateur d’instrumentation pour les tensions élevées (ne fonctionne pas sur du courant continu).
Outre leur rôle d'isolation, ces circuits permettent aussi de diviser la valeur de la tension mesurée, facilitant la mesure de hautes tensions. Cette isolation protège à la fois l’utilisateur et les composants en cas de défaut ou de tension accidentelle.
En synthèse
La protection des mesures analogiques repose sur plusieurs étages complémentaires :
- Diodes ESD : contre les décharges rapides.
- Résistance série : pour limiter le courant.
- Diodes de clamp ou TVS : pour écrêter les surtensions transitoires.
- Filtre RC (ou RLC) : pour stabiliser et filtrer le signal.
- Isolation galvanique : pour la sécurité humaine et la séparation des potentiels.
Bien conçue, cette chaîne de protection garantit la fiabilité des mesures et prolonge la durée de vie du système d’acquisition, tout en assurant la sécurité de l’utilisateur.
